
注:
1.使用前根据装箱单,以及产品标签,仔细核对和确认产品数量、型号和规格。
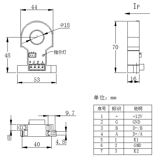
2.使用时必须按所选产品型号对应的接线参考图,正确连接信号输入、输出和辅助电源接线,检查无误后再接通辅助电源。
3.辅助电源要求:精度不低于5%,纹波Vpp≤0.4%。
4.使用环境应无导电尘埃和破坏绝缘、金属的腐蚀性气体存在。
5.直接用电表笔从端子测量产品输出信号时,应先将端子螺钉旋到底。
6.产品用于强磁干扰环境时,请将输入线与感应孔屏蔽,输出线应尽量短。集中安装时,安装间距≥10mm。
7.产品出厂时已调校好零点和精度,请勿随意调校。确需现场调校时,请与我公司联系。
8.请勿涂改和撕下产品上的任何标贴
